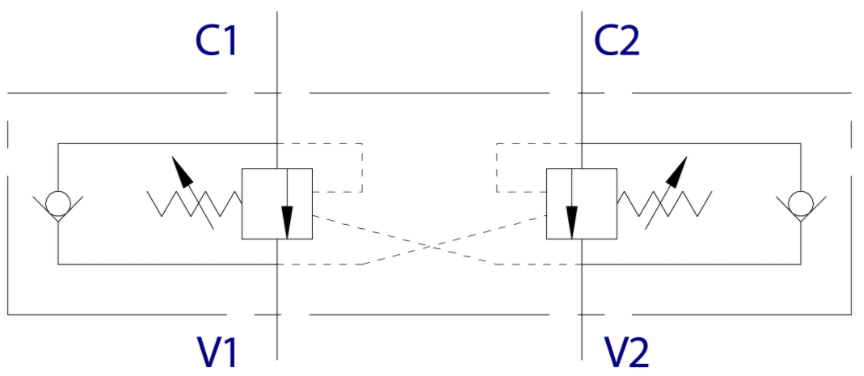
Тормозной клапан двухстороннего действия VBCD 1/4" DE A (V0418)

Код: V0418
Информация о стоимости доступна по запросу:
Запросить стоимость

Технические характеристики

  • Рабочее давление, Bar
    350 бар
  • Масса
    1,69 кг
Производитель
OLEODINAMICA MARCHESINI OLEODINAMICA MARCHESINI Всего товаров: 124

Преимущества нашей компании:

  • на рынке более 15 лет
  • официальные представители проверенной Европейской продукции
  • компания дает гарантию на продукцию 1 год
  • отправка грузов по всей России и ближнему зарубежью
  • собственные испытательные стенды, для тестирования различного оборудования.
  • умеем выполнять сложные проекты гидрофикации
  • 10 летний опыт специалистов позволяет решать любые задачи
  • сервисная поддержка.
  • подразделения в Набережных Челнах, Миассе, Александрове
  • большие складские запасы.
  • сотрудники постоянно повышают квалификацию
О товаре
Тормозной клапан двухстороннего действия VBCD 1/4" DE A (V0418) предназначен для контроля перемещения груза на рабочих органах (гидроцилиндре) и снабжён обратным клапаном для блокировки рабочей жидкости в одном направлении или создать контролируемое движение привода с грузом в другом.

Тип "А" отличается от моделей VBCD...DE иным расположением портов подключения на корпусе и изменённым пилотном соотношении.
Смотреть подробнее Свернуть