Теплообменник CSLV3, 220/380 В, термореле 50 °С, отвод воздуха от радиатора (тип А)

Код: CSLV3.38.A.47BPV
Информация о стоимости доступна по запросу:
Запросить стоимость

Технические характеристики

  • Максимальный расход
    140 л/мин
  • Макс. тепловая эффективность при ΔТ=40°С
    13,5 кВт
  • Потребляемая мощность вентилятора
    80 Вт
  • Степень влагозащиты вентилятора
    IP44
  • Настройка термореле
    50 °С
  • Степень влагозащиты термореле
    IP65
  • Наличие клапана bypass 
    есть
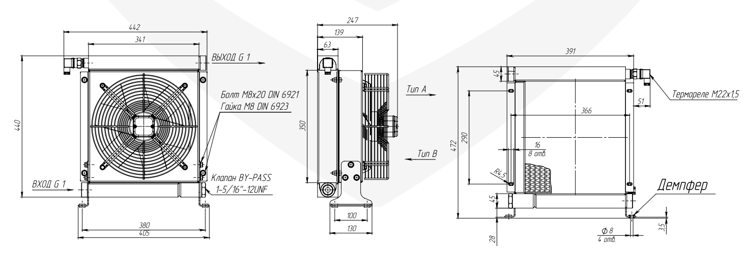
  • Габаритные размеры
    405*440*247 мм
  • Масса
    20 кг
Производитель
Группа Гидравликов Группа Гидравликов Всего товаров: 365

Преимущества нашей компании:

  • на рынке более 15 лет
  • официальные представители проверенной Европейской продукции
  • компания дает гарантию на продукцию 1 год
  • отправка грузов по всей России и ближнему зарубежью
  • собственные испытательные стенды, для тестирования различного оборудования.
  • умеем выполнять сложные проекты гидрофикации
  • 10 летний опыт специалистов позволяет решать любые задачи
  • сервисная поддержка.
  • подразделения в Набережных Челнах, Миассе, Александрове
  • большие складские запасы.
  • сотрудники постоянно повышают квалификацию
О товаре

CSLV3 - теплообменник (маслоохладитель) со встроенным клапаном bypass производства Группы Гидравликовъ. Переливной клапан, настроенный на 6 бар, предохраняет теплообменник от большого перепада давления вследствие непрогретой вязкой рабочей жидкости при "холодном" старте машины. Максимальный расход, на который расcчитан теплообменник, составляет 140 л/мин, при этом  теплосъем достигает 15 кВт. Благодаря своим параметрам, теплообменник можно использовать на различной коммунальной, дорожной и строительной технике. Маслоохладитель оснащен термореле и вентилятором итальянского производства. Термореле и вентилятор защищены от воды по стандартам IP65 и IP68 соответственно. Возможно исполнение с вентилятором на 12 или 24 В (постоянный ток) и на 380 В (трехфазный переменный ток). Перед упаковкой каждый теплообменник проходит испытание на герметичность.

CSLV3 является аналогом AKG T3, OMT SS30, Sesino APL 430, Oesse HY038, Emmegi MG 2030K, Аркаим МО 3К.

Смотреть подробнее Свернуть